Inverter năng lượng mặt trời, hay còn là biến tần năng lượng mặt trời, là thành phần trung tâm của hệ thống điện mặt trời. Thiết bị này thực hiện nhiệm vụ chuyển đổi dòng điện một chiều (DC) được tạo ra từ các tấm pin thành dòng điện xoay chiều (AC). Dòng điện này đảm bảo nguồn điện đầu ra tương thích để cung cấp năng lượng cho các thiết bị điện trong gia đình hoặc hòa nhập vào lưới điện quốc gia. Cùng KITAWA tìm hiểu cấu tạo và nguyên lý hoạt động, thông số kỹ thuật và bảng giá chi tiết giúp bạn lựa chọn sản phẩm phù hợp.

Biến tần (Inverter) là thành phần quan trọng trong mọi hệ thống năng lượng mặt trời, thường được ví như trung tâm điều khiển của toàn bộ dự án, dù đó là hệ thống dân dụng công suất 2 kW hay một nhà máy điện quy mô 5 MW.
Vai trò chính của thiết bị này là chuyển đổi dòng điện một chiều (DC) được sản xuất từ các tấm pin quang điện thành dòng điện xoay chiều (AC). Nguồn điện AC đã được chuyển đổi sau đó sẽ cung cấp năng lượng cho các thiết bị điện trong gia đình hoặc cơ sở kinh doanh của bạn.
Lượng điện AC dư thừa sau khi đã được tiêu thụ nội bộ sẽ được đưa lên lưới điện quốc gia hoặc được lưu trữ vào hệ thống pin lưu trữ. Đặc biệt, các loại biến tần Hybrid còn được tích hợp sẵn hệ thống quản lý pin thông minh bên trong.
|
Thành phần |
Chức năng |
|
Bộ chuyển đổi DC - AC |
Biến đổi điện một chiều (DC) từ tấm pin thành điện xoay chiều (AC). |
|
Bộ MPPT |
Tối ưu điểm công suất cực đại, giúp khai thác tối đa năng lượng từ tấm pin. |
|
Bộ lọc |
Giảm nhiễu điện, nâng cao chất lượng và sự ổn định của dòng điện. |
|
Biến áp (tuỳ loại) |
Cách ly hệ thống và điều chỉnh mức điện áp phù hợp. |
|
CPU điều khiển |
Điều phối toàn bộ quá trình vận hành của inverter. |
|
Giao tiếp truyền thông |
Hỗ trợ kết nối Wi-Fi, RS485, 4G để giám sát từ xa. |
|
Vỏ bảo vệ |
Thiết kế chống nước, chống bụi với tiêu chuẩn IP65. |
|
Tản nhiệt/quạt |
Giữ nhiệt độ ổn định, đảm bảo inverter hoạt động bền bỉ. |
|
Cổng kết nối |
Nhận nguồn DC, xuất ra AC và kết nối với pin hoặc lưới điện. |

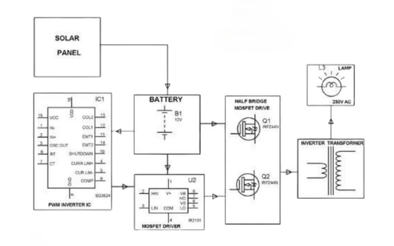
Dưới tác động của bức xạ mặt trời, các tấm pin quang điện (PV) hấp thụ năng lượng và phát sinh dòng điện một chiều (DC). Nguồn điện này có thể được chuyển trực tiếp tới thiết bị lưu trữ (ắc quy/pin) để tích trữ ban ngày, đảm bảo khả năng sử dụng điện linh hoạt, theo yêu cầu.
Trong hệ thống, biến tần năng lượng mặt trời (Inverter) giữ vai trò biến đổi dòng điện DC đầu vào từ dãy pin thành dòng điện xoay chiều (AC) tiêu chuẩn.
Nguồn AC đầu ra này không chỉ tương thích hoàn toàn với các tải tiêu thụ trong sinh hoạt và sản xuất mà còn có thể hòa lưới với hệ thống điện quốc gia hoặc cung cấp năng lượng cho hệ thống điện độc lập (Off-Grid). Điều này tối ưu hóa hiệu suất vận hành, đảm bảo tính ổn định và an toàn điện năng cho toàn bộ công trình.
Việc phân loại các loại inverter năng lượng mặt trời dựa trên mục đích sử dụng và cấu trúc hệ thống điện giúp người dùng đưa ra quyết định đầu tư phù hợp với nhu cầu sử dụng:

Inverter hòa lưới là hệ thống điện mặt trời phổ biến nhất, được thiết kế để kết nối trực tiếp và đồng bộ với lưới điện công cộng. Hệ thống giúp chuyển đổi điện DC thành điện AC và đẩy phần năng lượng dư thừa vào lưới điện quốc gia.
Hệ thống điện hòa lưới On grid sẽ tự động ngắt kết nối ngay lập tức khi lưới điện gặp sự cố (mất điện). Theo đó đảm bảo an toàn tuyệt đối cho nhân viên bảo trì lưới điện và ngăn ngừa hư hỏng thiết bị/ Đây là lựa chọn lý tưởng cho các hộ gia đình hoặc doanh nghiệp muốn giảm hóa đơn tiền điện và bán lại điện dư thừa.
Inverter hòa lưới thường được ứng dụng ở các mô hình nhà ở dân dụng, trang trại, nhà xưởng và các công trình công cộng (trường học, bệnh viện…)
Inverter độc lập được sử dụng để cung cấp điện năng một cách hoàn toàn tự chủ cho các khu vực không có lưới điện hoặc lưới điện không ổn định, đảm bảo nguồn cung cấp điện liên tục mà không cần kết nối với hệ thống điện quốc gia.
Inverter sử dụng bộ điều khiển sạc để quản lý quá trình sạc/xả của hệ thống ắc quy lưu trữ, tạo ra nguồn điện AC ổn định và độc lập. Hệ thống điện mặt trời độc lập được ứng dụng tại các vùng sâu vùng xa, khu vực hẻo lánh, trạm viễn thông, hoặc các hệ thống bơm nước.
Mặc dù inverter độc lập không có chức năng hòa lưới, nhưng nó lại mang lại sự linh hoạt tối đa về vị trí lắp đặt và đảm bảo tính liên tục của nguồn điện. Đây là ưu điểm vượt trội so với hệ thống hòa lưới thông thường.

Inverter Hybrid là sự kết hợp hoàn hảo giữa các tính năng của inverter hòa lưới và độc lập, cung cấp khả năng quản lý năng lượng thông minh, giúp người dùng tối đa hóa hiệu suất sử dụng điện và đảm bảo nguồn điện dự phòng.
Thiết bị đa năng này có khả năng cả hòa lưới (đẩy điện dư lên lưới) và sạc/xả ắc quy lưu trữ, cho phép hệ thống tự động chuyển đổi giữa các chế độ hoạt động (như tự tiêu thụ, lưu trữ hoặc cấp điện dự phòng).
Cơ chế hoạt động ưu việt của inverter hybrid cho phép người dùng lưu trữ năng lượng mặt trời dư thừa vào ắc quy để sử dụng vào ban đêm hoặc khi mất điện lưới. Qua đó tối ưu hóa việc tự tiêu thụ và giảm thiểu sự phụ thuộc vào lưới điện.
Chức năng chính của inverter hybrid là cung cấp nguồn điện dự phòng khi lưới điện bị ngắt: nó sẽ tự động chuyển sang chế độ độc lập để cấp điện từ ắc quy cho các tải ưu tiên. Hệ thống hybrid là lựa chọn lý tưởng cho các gia đình, doanh nghiệp, nhà máy điện muốn tối ưu ngân sách và tự chủ nguồn điện.
Công suất (kW): Chọn công suất định mức AC của biến tần đạt 80% - 100% công suất DC tối đa của dãy pin, tối ưu hóa hiệu suất hoạt động và tránh hiện tượng cắt đỉnh.
Hiệu suất (%): Ưu tiên hiệu suất biến đổi cao ≥ 97% (theo hiệu suất Châu Âu), giảm thiểu tổn thất năng lượng trong quá trình chuyển đổi DC sang AC.
Số MPPT: Cần trang bị ≥ 2 bộ MPPT độc lập nếu dàn pin lắp đặt trên nhiều mặt phẳng hoặc có hướng khác nhau, đảm bảo trích xuất công suất tối đa cho từng chuỗi pin.
Điện áp đầu vào: Xác định dải điện áp DC hoạt động của biến tần phải tương thích với dải điện áp vận hành thực tế của chuỗi pin, duy trì khả năng hoạt động ổn định.
IP chống nước: Đảm bảo biến tần có chỉ số chống nước/ bụi IP65+ khi lắp ngoài trời, bảo vệ linh kiện khỏi các yếu tố thời tiết khắc nghiệt.
Hỗ trợ lưu trữ: Yêu cầu tính năng hỗ trợ kết nối và quản lý pin lưu trữ là cần thiết đối với các hệ thống Hybrid.
Kết nối giám sát: Tích hợp cổng kết nối Wi-Fi hoặc 4G/GPRS, cho phép người dùng theo dõi hiệu suất và trạng thái hoạt động của hệ thống từ xa một cách tiện lợi.
Chứng nhận: Chỉ lựa chọn sản phẩm có các chứng nhận uy tín quốc tế như CE, TUV, VDE, hoặc UL, khẳng định chất lượng, độ an toàn và tuân thủ tiêu chuẩn kỹ thuật.

Bước 1: Chuẩn bị inverter, cáp DC và cáp AC đạt chuẩn, tủ điện bảo vệ (IP65 trở lên), thiết bị đóng ngắt (Aptomat), cùng các dụng cụ chuyên dụng.
Bước 2: Chọn vị trí lắp đặt khô ráo, thông thoáng, độ cao lý tưởng từ 1 - 1,5m so với mặt sàn, ưu tiên gần khu vực lắp đặt tấm pin để tối thiểu hóa tổn thất dây DC.
Bước 3:
Đấu nối dây DC vào inverter.
Đấu dây AC ra tủ điện.
Tiếp địa đúng kỹ thuật.
Kiểm tra an toàn trước khi bật.
Bước 4: Thực hiện cấu hình qua giao diện màn hình hoặc ứng dụng di động (app), cập nhật firmware lên phiên bản mới nhất, và thiết lập chế độ ưu tiên nguồn
Lưu ý: Chỉ những Kỹ thuật viên có chứng chỉ chuyên môn mới được phép thực hiện công việc lắp đặt, đảm bảo tuân thủ nghiêm ngặt Tiêu chuẩn Việt Nam TCVN 4756:2012 và các quy định an toàn điện hiện hành.
Việc lựa chọn biến tần năng lượng mặt trời quyết định hiệu quả và độ bền bỉ của toàn bộ hệ thống quang điện. Các dòng inverter hiện đại cung cấp nhiều lợi ích vượt trội, được phát triển dựa trên công nghệ tiên tiến và chứng minh qua thực tiễn ứng dụng tại hàng nghìn dự án trên toàn cầu, bao gồm cả Việt Nam.
Tối ưu hiệu suất: Nhờ thuật toán MPPT tiên tiến, inverter đảm bảo khai thác sản lượng điện tối đa từ các tấm pin quang điện trong mọi điều kiện thời tiết.
Vận hành êm ái và an toàn vượt trội: Các thiết bị hiện đại sử dụng hệ thống làm mát đối lưu, loại bỏ tiếng ồn khó chịu. Thiết bị còn tích hợp đầy đủ các chức năng bảo vệ chống quá tải, ngắn mạch, quá áp, thấp áp và quá nhiệt, giảm thiểu triệt để rủi ro cháy nổ.
Giám sát thông minh và kết nối từ xa: Khả năng kết nối Wi-Fi/4G cho phép người dùng theo dõi hiệu suất hoạt động chi tiết qua các thiết bị thông minh (smartphone, laptop). Hệ thống cảnh báo tức thời về các bất thường hỗ trợ xử lý sự cố kịp thời, duy trì thời gian hoạt động liên tục.
Khả năng tương thích rộng: Inverter tương thích với hầu hết các tải tiêu thụ AC thông dụng (thiết bị gia dụng, máy lạnh, chiếu sáng). Thiết bị duy trì hoạt động ổn định trong dải điện áp lưới rộng, đáp ứng nhu cầu vận hành ngay cả tại các khu vực có chất lượng điện lưới không ổn định.
Thiết kế tối ưu và chi phí lắp đặt thấp: Với kích thước và trọng lượng được tối ưu hóa, inverter mới tiết kiệm không gian lắp đặt và đơn giản hóa quy trình thi công. Thiết kế này giúp cắt giảm chi phí lắp đặt tổng thể, đặc biệt cho các dự án dân dụng và doanh nghiệp vừa và nhỏ.
Đạt chuẩn quốc tế và độ bền cao: Các thương hiệu chính hãng (như INVT, SMA, Sungrow) đạt các chứng nhận uy tín toàn cầu (CE, RoHS, ISO 9001). Tuổi thọ trung bình của inverter từ 10 - 15 năm, với nhiều dự án lớn vẫn vận hành ổn định sau hơn 20 năm sử dụng.

Thị trường biến tần hiện nay rất sôi động, với nhiều thương hiệu uy tín cung cấp sản phẩm đa dạng cho cả nhu cầu dân dụng và thương mại. Dưới đây là những cái tên được đánh giá cao:
KITAWA tự hào là một trong những đơn vị tiên phong trong lĩnh vực cung cấp thiết bị và giải pháp năng lượng mặt trời. Chúng tôi cam kết về chất lượng thông qua quy trình chọn lọc nghiêm ngặt từ các thương hiệu hàng đầu thế giới (như Sungrow, SMA, INVT), đảm bảo mọi sản phẩm đều là hàng chính hãng, đạt các chứng nhận chất lượng quốc tế khắt khe nhất.

Khách hàng của KITAWA luôn được tiếp cận với các giải pháp bền bỉ, an toàn và tối ưu hóa sản lượng điện năng khi triển khai hệ thống điện năng lượng mặt trời. Với kinh nghiệm hoạt động và đội ngũ kỹ sư chuyên môn cao, KITAWA không chỉ cung cấp thiết bị mà còn mang đến một giải pháp inverter hòa lưới toàn diện, chúng tôi cam kết:
Tư vấn kỹ thuật chuyên sâu: Thiết kế giải pháp solar inverter phù hợp tuyệt đối với đặc điểm và yêu cầu công suất của từng dự án cụ thể.
Bảo hành chính hãng và hậu mãi tận tâm: Thực hiện bảo hành theo tiêu chuẩn nhà sản xuất, với trung tâm kỹ thuật và linh kiện thay thế sẵn có tại Việt Nam, đảm bảo thời gian xử lý sự cố nhanh chóng.
Hỗ trợ giám sát và vận hành: Cung cấp dịch vụ giám sát hiệu suất online, cập nhật trạng thái inverter theo thời gian thực (real-time monitoring), giúp khách hàng luôn nắm bắt được hiệu quả hệ thống.
Đừng để hệ thống năng lượng mặt trời của bạn hoạt động kém hiệu quả chỉ vì lựa chọn sai thiết bị chuyển đổi. Hãy liên hệ ngay với đội ngũ KITAWA để:
Nhận tư vấn miễn phí từ các kỹ sư giàu kinh nghiệm, giải đáp mọi thắc mắc về công nghệ và ứng dụng.
Được cung cấp tài liệu kỹ thuật chi tiết và catalogue sản phẩm inverter mới nhất từ các thương hiệu hàng đầu.
Sở hữu giải pháp inverter năng lượng mặt trời chính hãng – tiết kiệm chi phí – hiệu suất tối ưu – bền vững dài lâu.

KITAWA tự hào là nhà phân phối ủy quyền các dòng Inverter năng lượng mặt trời hàng đầu thế giới, cung cấp các sản phẩm chính hãng từ các thương hiệu uy tín. Chúng tôi tự hào sở hữu đội ngũ kỹ thuật viên nhiều năm kinh nghiệm cùng chuyên viên tư vấn am hiểu chuyên sâu, cam kết mang đến khách hàng dịch vụ trọn gói ưu việt, bao gồm tư vấn tận tình, chế độ hậu mãi minh bạch, cùng chính sách bảo hành đáng tin cậy và tận tâm. Liên hệ ngay qua hotline 0942699539 để nhận tư vấn và báo giá chi tiết!
####

Nhu cầu tiết kiệm chi phí điện và sử dụng năng lượng hiệu quả đang được nhiều doanh nghiệp tại Quận Gò Vấp quan tâm.... Đọc tiếp
KITAWA đã hoàn thiện lắp đặt hệ thống điện mặt trời 30kWp Bình Phước cho một doanh nghiệp sản xuất tại khu công nghiệp. Dự án... Đọc tiếp
Lắp đặt điện mặt trời áp mái 30kW hiện đang trở thành một lựa chọn đầu tư ngày càng hấp dẫn và có giá trị... Đọc tiếp
Giữa nhịp sống năng động của thành phố lớn, nhu cầu sử dụng điện ổn định và tiết kiệm ngày càng được quan tâm. Mới... Đọc tiếp
Trong bối cảnh nhu cầu về nguồn điện ổn định và bền vững ngày càng tăng cao, hệ thống điện mặt trời hòa lưới có... Đọc tiếp
Inverter hòa lưới điện mặt trời khi mất điện có hoạt động không? Làm thế nào để xử lý trường hợp inverter ngừng hoạt động?... Đọc tiếp
Hiệu suất chuyển đổi của inverter năng lượng mặt trời là yếu tố then chốt quyết định thành công hệ thống điện mặt trời. Hiệu... Đọc tiếp
Biến tần (Inverter) là một thành một thiết bị quan trọng trong các hệ thống điện năng lượng mặt trời. Nhiều người vẫn nghĩ rằng... Đọc tiếp